Светодиодные светильники, современные люстры
в стиле LOFT, MODERN, HI-TECH, CLASSIC, CRISTAL LIGHT,
ультратонкие панели нестандартных форм и размеров
+7 (499) 390 61 78
+7 (925) 366 35 01
info@supersvet.su
 
 
ГлавнаяКонтакты
 
  Солнечные электростанции для дома и дачи » Солнечная электростанция 7 кВт/ч в сутки HYBRID AGM 
 
Автономные светильники на солнечных батареях
Автономный консольный светильник БАЙКАЛ АКС 1
Автономный консольный светильник БАЙКАЛ АКС 2
Автономный консольный светильник SOLAR STR
Автономный парковый светильник БАЙКАЛ ретро
Автономный парковый комплекс БАЙКАЛ АПК 1
Автономный парковый комплекс БАЙКАЛ АПК 2
Автономный парковый комплекс АПК САТУРН
Комплект автономного освещения
Комплект автономного освещения
Комплект автономного освещения
Комплект автономного освещения
Опоры составные для автономных светильников
Опоры составные круглого сечения

Солнечная электростанция 7 кВт/ч в сутки HYBRID AGM


Выработка:  до 7 кВт/ч в сутки

Суммарная мощность потребителей: 3000 Вт

Пиковая мощность:  5250 Вт

Выходное напряжение:   220 В

Страна производитель: Россия

Срок гарантии:   24 месяцев

Наличие:  в наличии на складе

Срок поставки: 1-2 дня

Цена:   203 500 рублей


Описание:

Выработка в сутки: 7 кВт*ч (усредненное значение с апреля по октябрь);
Выработка в месяц: 210 кВт*ч (усредненное значение с апреля по октябрь);
Выработка в сутки: 1,75 кВт*ч (усредненное значение с ноября по март);
Выработка в месяц: 52,5 кВт*ч (усредненное значение с ноября по март);

Максимальная суммарная мощность потребителей: 3000 Вт;
Пиковая мощность(5 сек): 5250 Вт.

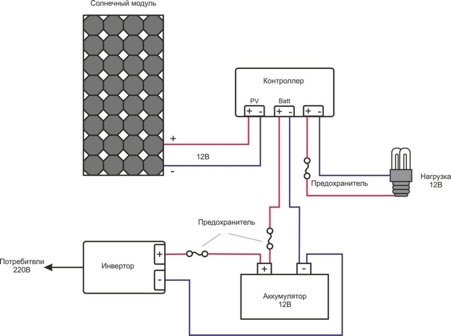
Комплект включает в себя:

1) Солнечная батарея Delta BST 250-24P (250Вт, 24 В) - 4 шт
2) Солнечный контроллер КЭС 200/60 (20а) - 1- шт
3) АКБ Delta DTM 12100 (100 а*ч) - 4 шт
4) Инвертор МАП SIN HYBRID 3 кВт (24В, чистый синус, кратковременная мощность до 5250 Вт) - 1шт
5) Полный комплект кабелей и коннекторов.
7) Крепеж (либо на стену, либо на крышу)
8) Схема соединения и описание.

Гарантия на панель - 10 лет. Срок службы панели - 30 лет.
Гарантия на АКБ - 1 год. Срок службы АКБ - 8 лет.
Гарантия на контроллер заряда - 1 год.
Гарантия на инвертор - 1 год.

Данный комплект допускает работу электроприборов с мощностью не превышающей 3 кВт:
• Зарядки телефонов и прочих гаджетов;
• Ноутбуки;
• Освещение;
• Насосы типа "Малыш";
• Телевизоры;
• Прочие небольшие электроприборы;
• Холодильника;
• Стиральная машинка;
• Духовой шкаф;
• Варочная панель или электроплитка;
• Чайник электрический;
• Насос скваженный;
• Насосная станция;
• Септик;
• Воднагреватели;

Данный комплект может быть в последствии модернизирован. Можно добавить еще солнечных панелей для увеличения выработки всей системы в целом и большей экономии. Можно добавить аккумуляторов, для увеличения времени автономной работы, в случае пасмурной погоды, либо в зимний период.

Данная станция позволяет подключать внешнюю сеть или генератор для полной автономии(в случае с генератором), либо для экономии электроэнергии(в случае с внешней сетью). Переключение на работу от внешней сети, либо от солнечных панелей происходит в автоматическом режиме.

Стоит отметить что в средней полосе РФ(для который все эти данные и рассчитаны), выработка солнечной электростанции в зимний период существенно меньше нежели в летний. Что делает абсолютно нерентабельным использование солнечных станций для организации отопления дома. Будь то электрический котел или электрические нагреватели.


Технические характеристики:

Солнечная электростанция 7 квт/ч в сутки

Выработка электроэнергии, кВт*ч в сутки

7

Максимальная общая мощность потребителей, кВт

3

Запасаемая мощность, кВт*ч

4,8

Тип солнечных панелей

Поликристалл

Суммарная мощность солнечных панелей, кВт

1

Кол-во солнечных панелей, шт

4

Площадь солнечных панелей, м2

6,64

Срок службы солнечных панелей, г

30

Мощность инвертора, кВт

3

Пиковая мощность инвертора, кВт

5,25

Форма выходного сигнала

Чистый синус

Срок службы аккумуляторов, г

12

Суммарная ёмкость аккумуляторов, Ач

400

Кол-во аккумуляторов, шт

4

Тип аккумуляторов

AGM

Габариты, вес

Габариты, мм

1640x992х620

Вес, кг

225


Схема подключения солнечной электростанции:




 
 
 
© ООО «ТД Уютный Свет» 2017